DS-1AX

發布日期 : 2019-06-23 Print

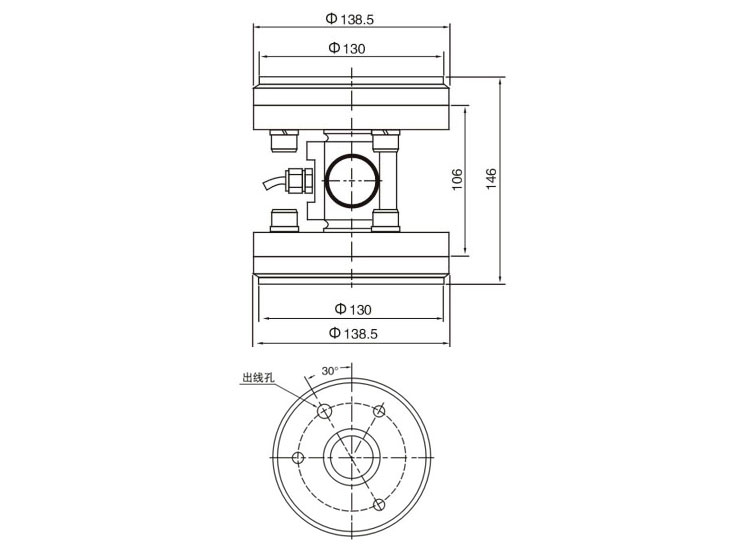
適用于料罐、配料秤、混泥土攪拌站稱重系統。

Apply to tank weighing, batching scale, concrete mixing station weighing system.

技術參數Technical Parameter
額定載荷Rated Load 15t,20t
靈敏度Sensitivity 2.0000±0.002mV/V
綜合誤差Total Error ±0.02%F.S
蠕變Creep(30minutes) ±0.02%F.S
推薦工作電壓Recommended Excitation Voltage 5V~18V(AC or DC)
最大工作電壓Maximum Excitation Voltage 24V(AC or DC)
零點平衡Zero Balance ±1%F.S
輸入阻抗Input Impedance 380±10Ω
輸出阻抗Output Impedance 350±5Ω
絕緣阻抗Insulation Impedance ≥5000MΩ
安全過載率Safe Overload 150%F.S
極限過載率Ultimate Overload 200%F.S
工作溫度范圍Operating Temperature Range (-30~+70)℃
溫度補償范圍Compensated Temperature Range (-20~+60)℃
輸出溫度影響Temperature Effect On Load ±0.02%F.S/10℃
零點溫度影響Temperature Effect On Zero ±0.02%F.S/10℃
材質Construction 合金鋼Alloy Steel
防護等級Protection Class IP67&IP68
引用標準Citation GB/T7551-2008/OIML R60
接線方式Mode of Connection 輸入+:紅?Input+:Red
輸入-:黑?Input-:Black
輸出+:綠?Output+:Green
輸出-:白?Output-:White

電話 : 0086-0574-86810798  |  Email : sales@china-zpe.com  |  地址 : 浙江省寧波市北侖區新碶街道九華山路402號二樓-1
版權所有?2019   寧波眾鵬電氣有限公司  浙ICP備19031921號-1   浙公網安備33020602000981號 ?